Termékek
Rozsdamentes acél karimás gömbszelep
  • Rozsdamentes acél karimás gömbszelepRozsdamentes acél karimás gömbszelep

Rozsdamentes acél karimás gömbszelep

A JQF Valve gyár által gyártott kiváló minőségű J41H, J41Y és J41W rozsdamentes acél karimás gömbszelepek a hengeres szelepek nyitó és záró elemei. A tömítőfelület lapos vagy kúpos, és a szelep lineárisan mozog a folyadék középvonala mentén. A GB tolózárak csak teljesen nyitott és teljesen zárt alkalmazásokhoz alkalmasak, és általában nem használják áramlásszabályozásra. A szabályozás és a fojtás testreszabása kérésre elérhető.


A JQF Valve egy teljes folyamatú szelepgyártó üzem, amely integrálja a tudományos kutatást, a tervezést, a gyártást, az értékesítést és az értékesítés utáni szolgáltatást. Kiváló minőségű rozsdamentes acél karimás gömbszelepünk egy biztonsági szelep, amelyet kifejezetten olyan közegek csővezeték-elzárására terveztek, mint az ammónia és a földgáz. Stabil tömítési teljesítmény, erős korrózióállóság és könnyű kezelhetőség jellemzi. Korrózióálló anyagokból, például rozsdamentes acélból készült, alkalmas a vegyiparban, megoldva a rossz korrózióállóság és a közönséges szelepek könnyű szivárgását. Az áramlás szabályozására is használható. Gyártásunkat és üzemeltetésünket a GB/T19001-2000-ISO9001:2000 minőségbiztosítási rendszer szabványai szerint szervezzük, a „jó minőségű termékek gyártása” elve vezérelve. Folyamatosan vezetünk be nemzetközileg korszerű gyártósorokat és berendezéseket, és folyamatosan fejlesztünk új termékeket a vásárlói igények kielégítésére. A jövőre nézve engedje meg, hogy átfogó szolgáltatásokat nyújtsunk az interneten és az interaktív kommunikáción keresztül.


1. A szigorú anyagválasztás biztosítja a minőséget.
2. A rozsdamentes acél karimás gömbszelep kopásálló, korrózióálló, magas nyomásnak és magas hőmérsékletnek ellenálló, hosszú élettartamú.
3. Rugalmasan telepíthető, könnyen szétszerelhető, és kényelmes kézikerék-forgatással rendelkezik.
4. A rozsdamentes acél karimás gömbszelep víz- és porálló, ésszerű szerkezettel, tökéletes kialakítással és kiváló tömítési teljesítménnyel.
5. A rozsdamentes acél karimás gömbszelepet főként ammónia, tüzelőanyag és gáznemű közegek, például nitrogén és hidrogén szabályozására használják.

Végrehajtási szabványok

Tervezési adatok: GB / T 12235
Szerkezet hossza: GB / T 12221
Karimás csatlakozás: JB / T 79
Teszt és ellenőrzés: JB / T 9002
Termékazonosító: GB / T 12220
Szállítási adatok: JB / T 7928

Teljesítmény paraméterek

modell J41H-16C-160C J41Y-16C~160C J41W-16P~160P
Üzemi nyomás (MPa) 1,6-16,0
megfelelő hőmérséklet (℃) ≤425 ≤150
Megfelelő adathordozó Víz, gőz, olaj Gyenge korrozív közeg
anyag Karosszéria, motorháztető Szénacél Króm nikkel-titán rozsdamentes acél
Szelepszár Krómozott rozsdamentes acél Króm nikkel-titán rozsdamentes acél
Tömítő felület Vas alapú ötvözetek felületkezelése Kemény ötvözet Test anyaga
töltőanyag Azbeszt grafit, rugalmas grafit, PTFE

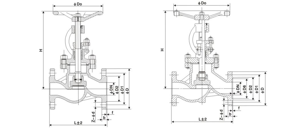
A fő forma és csatlakozási méretek

Névleges átmérő A fő méretek és csatlakozási méretek
L D D1 D2 b Z-d H D0
J41H-16C
15 130 95 65 45 14-2 4-Φ14 170 120
20 150 105 75 55 14-2 4-Φ14 190 140
25 160 115 85 65 14-2 4-Φ14 205 160
32 180 135 100 78 16-2 4-Φ18 270 180
40 200 145 110 85 16-3 4-Φ18 310 200
50 230 160 125 100 16-3 4-Φ18 358 240
65 290 180 145 120 18-3 4-Φ18 373 240
80 310 195 160 135 20-3 8-Φ18 435 280
100 350 215 180 155 20-3 8-Φ18 500 300
125 400 245 210 185 22-3 8-Φ18 614 320
150 480 280 240 210 24-3 8-Φ23 674 360
200 600 335 295 265 26-3 12-Φ23 811 400
250 650 405 355 320 30-3 12-Φ25 969 450
300 750 460 410 375 30-3 12-Φ25 1145 580
350 850 520 470 435 34-4 16-Φ25 1280 640
400 980 580 525 485 36-4 16-Φ30 1452 640
J41H-25C
15 130 95 65 45 16-2 4-Φ14 170 120
20 150 105 75 55 16-2 4-Φ14 190 140
25 160 115 85 65 16-2 4-Φ14 205 160
32 180 135 100 78 18-2 4-Φ18 270 180
40 200 145 110 85 18-3 4-Φ18 310 200
50 230 160 125 100 20-3 4-Φ18 358 240
65 290 180 145 120 22-3 8-Φ18 373 240
80 310 195 160 135 22-3 8-Φ18 435 280
100 350 230 190 160 24-3 8-Φ23 500 300
125 400 270 220 188 28-3 8-Φ25 614 320
150 480 300 250 218 30-3 8-Φ25 674 360
200 600 360 310 278 34-3 12-Φ25 811 400
250 650 425 370 332 36-3 12-Φ30 969 450
300 750 485 430 390 40-4 16-Φ30 1145 580
350 850 550 490 448 44-4 16-Φ34 1280 640
400 980 610 550 505 48-4 16-Φ34 1452 640

Szerkezeti kép

Hot Tags: Rozsdamentes acél karimás gömbszelep, Kína, testreszabott, minőségi, tartós, fejlett, gyártó, szállító, gyári, raktáron
Kérdés küldése
Elérhetőségei
  • Cím

    No.1, North 1st Road, Stainless Steel New Town, Lecong Steel World West Road, Shunde District, Foshan City, Guangdong tartomány, Kína

A tolózárral, gömbszelepekkel és visszacsapó szelepekkel vagy árlistával kapcsolatos kérdéseivel kapcsolatban kérjük, hagyja e-mail-címét, és 24 órán belül felvesszük Önnel a kapcsolatot.

X
Cookie-kat használunk, hogy jobb böngészési élményt kínáljunk, elemezzük a webhely forgalmát és személyre szabjuk a tartalmat. Az oldal használatával Ön elfogadja a cookie-k használatát. Adatvédelmi szabályzat
Elutasít Elfogadás