Termékek
API visszacsapó szelep
  • API visszacsapó szelepAPI visszacsapó szelep

API visszacsapó szelep

A Jinqiu Valve kiváló minőségű API visszacsapó szelepei megfelelnek az ASME, API és GB szabványoknak. A fejlett CNC megmunkáló központokkal és fémvágó berendezésekkel felszerelt vállalat CAD/CAM technológiát alkalmaz a terméktervezés és -gyártás során, betartva az ISO9001 szabványokat, hogy biztosítsa API visszacsapó szelepei alkatrészeinek pontosságát és minőségét.

A Jinqiu Valve, egy professzionális visszacsapó szelepgyártó Kínában, API visszacsapó szelepeinket teljes mértékben az amerikai szabványok szerint tervezték és gyártják. Ezek a szelepek esztétikus szerkezettel és fejlett technológiával rendelkeznek. Az API visszacsapó szelepek automatikusan nyitják és zárják a szeleptárcsát a közeg áramlása alapján, hogy megakadályozzák a visszaáramlást. Egyirányú szelepek, visszacsapó szelepek vagy visszafolyási szelepek néven is ismertek. Fő funkciójuk a közeg visszaáramlásának megakadályozása, a szivattyú és a hajtómotor megfordításának megakadályozása, valamint a közeg tartályon belüli szivárgásának megakadályozása.


1. Alacsony áramlási ellenállás: Amikor az API visszacsapó szelep teljesen nyitva van, az áramlási út szinte akadálytalan, ami alacsony nyomásesést eredményez.
2. Gyors zárás és visszafolyás megelőzés: A szeleptárcsa kar működése gyors reagálást és zárást tesz lehetővé még a visszaáramlás kezdetén is.
3. Széleskörű alkalmazhatóság: Alkalmas sokféle csőátmérőhöz, DN50-től DN1200-ig és a felett.

Teljesítmény paraméterek

Sorozatszám projekt neve paraméter
1 Névleges nyomásPN (MPa) 150 LB 300 LB 600 LB 900 LB 1500 LB 2500 LB
2.0 5.0 10.0 15.0 25.0 42.0
2 Héj szilárdsági próbanyomás Névleges nyomás szobahőmérsékleten 1,5-szerese
3 Nagynyomású tömítés próbanyomás Névleges nyomás szobahőmérsékleten 1,1-szer
4 Munkanyomás szobahőmérsékleten Nyomja meg az ASME B16.34 nyomás- és hőmérséklet-besorolást

Termékleírások

tervezési szabványok A szerkezet hossza A karimás csatlakozás mérete Teszt és ellenőrzés Nyomás és hőmérséklet referencia
API6D/ASME B16.34 ASME B16.10 ASME B16.5 API598/API6D ASME B16.34

A fő rész anyaga

Alkatrész neve Anyag neve
Test A216 WCB A217 WC6 A351 CF8 A351 CF8M A351 CF3 A351 CF3M
sapka A216 WCB A217 WC6 A351 CF8 A351 CF8M A351 CF3 A351 CF3M
Szeleplemez A216 WCB A217 WC6 A351 CF8 A351 CF8M A351 CF3 A351 CF3M
Tömítő felület 13Cr/STL STL Test / STL Test / STL Test / STL Test / STL
Szeleptengely A182 F6a A182 F11 A182 F304 A182 F316 A182 F304L A182 F316L
Tömítés Rugalmas grafit Rugalmas grafit Rugalmas grafit Rugalmas grafit Rugalmas grafit Rugalmas grafit
csavar A193 B7 A193 B16 A193 B8 A193 B8M A193 B8 A193 B8M
Dió A194 2H A194 4 A194 8 A194 8M A194 8 A194 8M
Üzemi hőmérséklet -29 ~ 425 ℃ -29 ~ 540 ℃ -46 ~ 425 ℃ -46 ~ 425 ℃ -46 ~ 425 ℃ -46 ~ 425 ℃
Megfelelő adathordozó gőz gőz Gyengén korrozív Gyengén korrozív Gyengén korrozív Gyengén korrozív

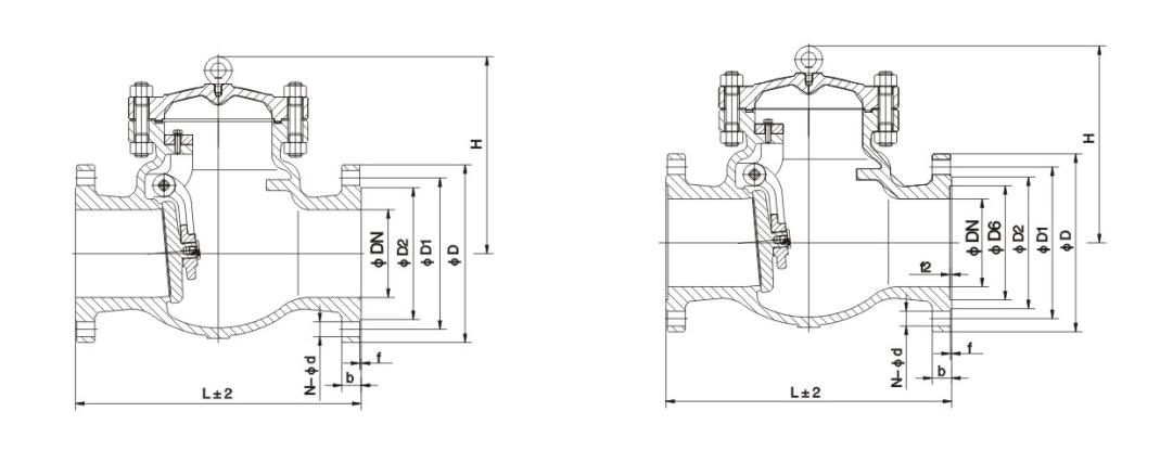
A fő forma és csatlakozási méretek

Névleges átmérő méret
m be L D D1 D2 b f n-Φd H
H44H-150Lb
50 2 203 152 120.5 92 16 1.6 4-19 180
80 3 241 192 152.5 127 19 1.6 4-19 190
100 4 297 229 190.5 157 24 1.6 8-19 203
125 5 330 254 216 186 24 1.6 8-22 229
150 6 356 279 241.5 216 26 1.6 8-22 257
200 8 495 342 298.5 270 29 1.6 8-22 292
250 10 622 406 362 324 31 1.6 12-25 355
300 12 698 483 432 381 32 1.6 12-25 396
H44H-300Lb
50 2 267 165 127 92 23 1.6 8-19 178
80 3 318 210 168.5 127 29 1.6 8-22 216
100 4 356 254 200 157 32 1.6 8-22 241
125 5 400 279 235 186 35 1.6 8-22 267
150 6 444 318 270 216 37 1.6 12-22 305
200 8 533 381 330 270 42 1.6 12-25 368
250 10 622 445 387 324 48 1.6 16-29 394
300 12 711 521 451 381 51 1.6 16-32 445
H44H-600Lb
50 2 295 165 127 92 33 6.4 8-19 203
80 3 359 210 168 127 36 6.4 8-22 235
100 4 435 273 216 157 45 6.4 8-25 286
125 5 511 330 266.5 186 52 6.4 8-29 292
150 6 562 356 292 216 55 6.4 12-29 330
200 8 664 419 349 270 63 6.4 12-32 381
250 10 791 510 432 324 71 6.4 16-35 457
300 12 842 559 489 381 74 6.4 20-35 584

Szerkezeti kép

Hot Tags: API visszacsapó szelep, Kína, testreszabott, minőségi, tartós, haladó, gyártó, szállító, gyári, raktáron
Kérdés küldése
Elérhetőségei
  • Cím

    No.1, North 1st Road, Stainless Steel New Town, Lecong Steel World West Road, Shunde District, Foshan City, Guangdong tartomány, Kína

A tolózárral, gömbszelepekkel és visszacsapó szelepekkel vagy árlistával kapcsolatos kérdéseivel kapcsolatban kérjük, hagyja e-mail-címét, és 24 órán belül felvesszük Önnel a kapcsolatot.

X
Cookie-kat használunk, hogy jobb böngészési élményt kínáljunk, elemezzük a webhely forgalmát és személyre szabjuk a tartalmat. Az oldal használatával Ön elfogadja a cookie-k használatát. Adatvédelmi szabályzat
Elutasít Elfogadás